03 Nov,2025
ไดรฟ์สำหรับการเดินทางในอุตสาหกรรมช่วยปรับปรุงประสิทธิภาพของเครื่องจักรได้อย่างไร






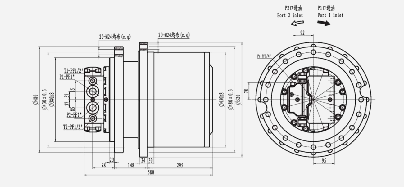
| สูงสุด แรงบิดเอาท์พุต | สูงสุด การกระจัดทั้งหมด | สูงสุด การกระจัดของมอเตอร์ | อัตราทดเกียร์ | สูงสุด ความเร็ว | สูงสุด อัตราส่วน | สูงสุด ไหล | สูงสุด ความดัน | มวล | มวลยานพาหนะที่ใช้งานได้ |
| น.ม | มล./รอบ | มล./รอบ | รอบต่อนาที | สูง/ต่ำ | ลิตร/นาที | MPa | กก | ตัน | |
| 80000 | 31814.6 | 171.6 | 76.7·99 | 2500 | สูงสุด 2 | 250 | 35 | 435 | 35-50 |
| 171.6/111 |
ผลิตภัณฑ์ที่จัดทำโดยองค์กรที่มีชื่อเสียงได้รับความไว้วางใจจากผู้ใช้อย่างลึกซึ้ง
ประสบการณ์ในอุตสาหกรรมปี
พื้นที่โรงงาน
พนักงานที่มีทักษะ
สายการผลิตขั้นสูง
INI Hydraulic Co., Ltd. เชี่ยวชาญในการออกแบบและผลิตเครื่องกว้านไฮดรอลิกมอเตอร์ไฮดรอลิกและกระปุกเกียร์ดาวเคราะห์มานานกว่าสองทศวรรษ เราเป็นหนึ่งในผู้จัดจำหน่ายชิ้นส่วนเครื่องจักรก่อสร้างระดับมืออาชีพในเอเชีย การปรับแต่งเพื่อเพิ่มประสิทธิภาพการออกแบบอุปกรณ์ที่ชาญฉลาดของลูกค้าเป็นวิธีที่เรายังคงมีชีวิตชีวาในตลาด เป็นเวลากว่า 26 ปีที่เราได้พัฒนาสายผลิตภัณฑ์ที่หลากหลายบนพื้นฐานของเทคโนโลยีที่พัฒนาขึ้นเองซึ่งขับเคลื่อนด้วยความมุ่งมั่นในการสร้างสรรค์นวัตกรรมอย่างต่อเนื่องเพื่อตอบสนองความต้องการของลูกค้า ผลิตภัณฑ์ที่หลากหลายและแต่ละผลิตภัณฑ์มีความเกี่ยวข้องอย่างใกล้ชิด ได้แก่ เครื่องกว้านไฮดรอลิกและไฟฟ้ากระปุกเกียร์ดาวเคราะห์ไดรฟ์สวิงไดรฟ์ไดรฟ์มอเตอร์ไฮดรอลิกปั๊มและระบบไฮดรอลิก
ความน่าเชื่อถือของผลิตภัณฑ์ของเราได้รับการพิสูจน์อย่างมากในการใช้งานที่หลากหลาย รวมถึงไม่จำกัดเฉพาะเครื่องจักรอุตสาหกรรม เครื่องจักรก่อสร้าง เครื่องจักรบนเรือและดาดฟ้า อุปกรณ์นอกชายฝั่ง เครื่องจักรเหมืองแร่และโลหะวิทยา
นอกจากนี้ คุณภาพผลิตภัณฑ์ของเรายังได้รับการอนุมัติจากหน่วยงานออกใบรับรองที่มีชื่อเสียงทั่วโลกหลายแห่ง การรับรองที่ผลิตภัณฑ์ของเราได้รับ ได้แก่ ใบรับรองการตรวจสอบประเภท EC, โหมด BV, ใบรับรอง DNV GL, การรับรองความสอดคล้องของ EC, ใบรับรองการอนุมัติประเภทสำหรับผลิตภัณฑ์ทางทะเล และการประกันคุณภาพการลงทะเบียนของ Lloyd จนถึงขณะนี้ นอกจากจีนซึ่งเป็นตลาดในประเทศของเราแล้ว เรายังส่งออกผลิตภัณฑ์ของเราไปยังสหรัฐอเมริกา เยอรมนี เนเธอร์แลนด์ ออสเตรเลีย รัสเซีย ตุรกี สิงคโปร์ ญี่ปุ่น เกาหลีใต้ มาเลเซีย เวียดนาม อินเดีย และอิหร่าน อย่างกว้างขวาง บริการโลจิสติกส์และบริการหลังการขายของเราครอบคลุมทั่วโลกอย่างรวดเร็วและเชื่อถือได้เพื่อผลประโยชน์ของลูกค้าอย่างลึกซึ้ง
03 Nov,2025
27 Oct,2025
20 Oct,2025
13 Oct,2025
06 Oct,2025
TOP